Imagem de fundo

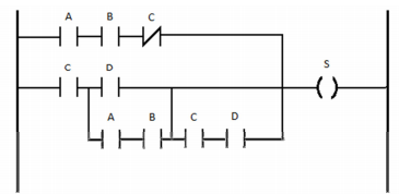
Um iniciante na linguagem de programação LD – Ladder Diagram – programou um controlador...

Um iniciante na linguagem de programação LD – Ladder Diagram – programou um controlador lógico programável – CLP –, pelo diagrama ladder representado a seguir.



A função lógica representativa deste diagrama é

A

B

C

D