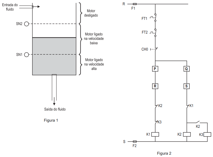
Considere as informações a seguir para responder às questões de nos 16 e 17.

No circuito auxiliar da Figura 2, a contatora K1 deve ser acionada quando o motor for ligado na velocidade baixa, e as contatoras K2 e K3 devem ser acionadas quando o motor for ligado na velocidade alta. Quando o motor está desligado, nenhuma contatora deve ser acionada. Os contatos devem estar dispostos, no circuito auxiliar, no estado em repouso. Os blocos P e Q são contatos do SN1, e os blocos R e S são contatos do SN2. Dessa forma, quais devem ser os contatos utilizados em cada bloco, para que o circuito auxiliar da Figura 2 funcione adequadamente no acionamento proposto na Figura 1?




