
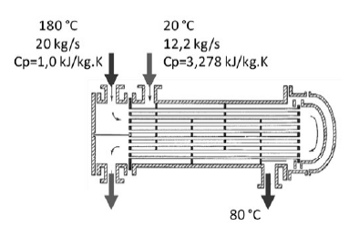
Essa figura indica esquematicamente um trocador de calor com as respectivas condições de operação. Tal trocador possui uma área de transferência de calor de 100 m 2 e uma diferença média logarítmica de temperatura entre os fluidos (LMTD) de 54,1 K. As trocas de calor com o ambiente podem ser ignoradas, assumindo-se que toda a troca de calor ocorre apenas entre os fluidos. Com base no exposto, assinale a alternativa correta.