Logo Gran Cursos Questões
  • Provas
  • Questões
  • Discursivas
  • Simulados
  • Disciplinas
  • Concursos
    • Todos os concursos
    • Principais cargos
    • Principais bancas
    • Principais regiões
    • Principais anos
    • Principais órgãos
  • Programa de Estudo
  • Assuntos frequentes
  • Planos
  • Tutoriais
Logo Gran Cursos Questões
  • Provas
  • Questões
  • Discursivas
  • Simulados
  • Disciplinas
  • Concursos
    • Todos os concursos
    • Principais cargos
    • Principais bancas
    • Principais regiões
    • Principais anos
    • Principais órgãos
  • Programa de Estudo
  • Assuntos frequentes
  • Planos
  • Tutoriais
Imagem de fundo
  • Início
  • Questões

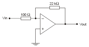
O ganho de tensão do amplificador abaixo vale

1
Q331277
Conhecimentos Específicos de um determinado Cargo/Área Elétrica / Eletrônica
Teclas de Atalhos
Compartilhar
Ano: 2008
Banca: Fundação Carlos Chagas - FCC
Prova: FCC - Metrô SP - Técnico de Manutenção ou Técnico de Materiais - Área Eletrônica - 2008

O ganho de tensão do amplificador abaixo vale


A

−2200


B

−220


C

+100


D

+2,2


E

+0,1

Comentários Marcadores Anotações Estatísticas Reportar Erro
Daqui a um ano, você vai desejar ter começado hoje.
Comece a resolver questões
Começar teste grátis
  Logo Gran Cursos Questões
Google play
App Store
  • Institucional
  • Planos e preços
  • Professores
  • Como funciona?
  • Tutoriais
  • Blog
  • Atendimento
  • Preferências de cookies
  • Treine agora
  • Questões
  • Provas
  • Programa de estudo
  • Simulados
  • Concursos
  • Assuntos frequentes
  • Bancas
  • Instituições
  • Regiões
  • Cargos
  • Disciplinas
  • Anos
 
© 2013 - Gran Tecnologia e Educação S/A.
  • Termos e condições de uso
  • Política de privacidade
  • Preferências de cookies
 
 
Gran Cursos Online é uma marca da empresa GRAN TECNOLOGIA E EDUCAÇÃO S/A, CNPJ: 18.260.822/0001-77, SBS Quadra 02, Bloco J, Lote 10, Edifício Carlton Tower, Sala 201, 2º Andar, Asa Sul, Brasília-DF, CEP 70.070-120. Gran Cursos Online - © Todos os direitos reservados ®