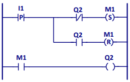
O diagrama Ladder possui uma função de detecção de borda de subida por I1 e saídas Set e Reset em M1.

A ação ocorrida sobre Q2 é:
Liga e desliga Q2 usando I1.
Retardo no acionamento de Q2.
Q2 nunca é acionado, qualquer que seja a ação de I1.
Q2 somente liga usando I1, não podendo ser desligado.
Q2 sempre fica acionado, qualquer que seja a ação de I1.