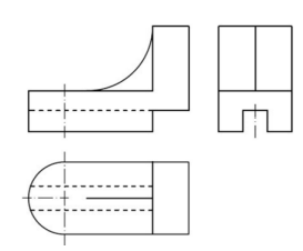
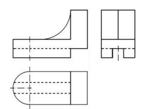
A representação tridimensional de peças mecânicas pode ser realizada através da perspectiva isométrica, sendo que a partir desta obtêm-se as vistas ortogonais, como mostra a figura a seguir.

Fonte: o autor
Qual figura representa corretamente as vistas ortogonais segundo o método Europeu?



