Imagem de fundo

O circuito abaixo é composto por portas e flip-flop FF – JK, da família de circui...

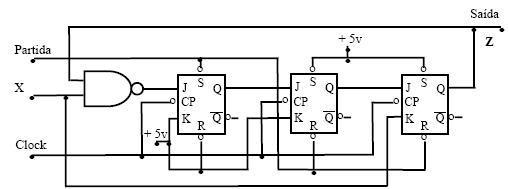
O circuito abaixo é composto por portas e flip-flop FF – JK, da família de circuitos integrados TTL. Considere os integrados devidamente alimentados e os FF ativados na descida do pulso de clock. A linha de "partida" está normalmente no nível lógico 1 (um). Após ser fornecido um pulso negativo na linha de partida e mantendo-se a linha X no nível lógico zero (X=0), é correto afirmar que a forma de onda de saída (Z) até o quinto pulso de clock será aquela apresentada no diagrama temporal correspondente à linha:


A


B


C


D


E